Применяемость детали Suzuki 17670-33401
Статистика
Всего каталогов: 14
Всего схем: 14
Позиций: 14
Схемы применения
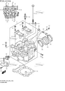
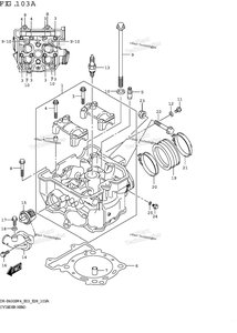
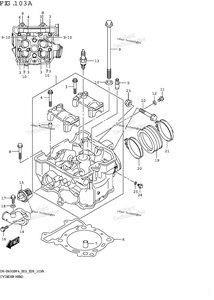
| Каталог | Схема | Позиция | Артикул | Описание | Превью | Действия |
|---|---|---|---|---|---|---|
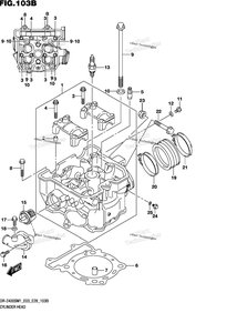
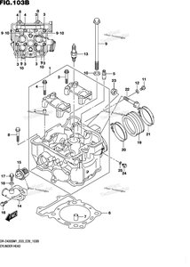
Suzuki 2021 DR-Z400SM1 | Cylinder Head Схема Cylinder Head | 15 | 17670-33401 | THERMOSTAT WATER | ![]() | |
Suzuki 2021 DR-Z400SMM1 | Cylinder Head Схема Cylinder Head | 15 | 17670-33401 | THERMOSTAT WATER | ![]() | |
Suzuki 2021 VL800M1 | Water Pump Схема Water Pump | 14 | 17670-33401 | THERMOSTAT WATER | ![]() | |
Suzuki 2021 VL800TM1 | Water Pump Схема Water Pump | 14 | 17670-33401 | THERMOSTAT WATER | ![]() | |
Suzuki 2022 DR-Z400SM2 | Cylinder Head Схема Cylinder Head | 15 | 17670-33401 | THERMOSTAT WATER | ![]() | |
Suzuki 2022 DR-Z400SMM2 | Cylinder Head Схема Cylinder Head | 15 | 17670-33401 | THERMOSTAT WATER | ![]() | |
Suzuki 2022 VL800M2 | Water Pump Схема Water Pump | 14 | 17670-33401 | THERMOSTAT WATER | ![]() | |
Suzuki 2022 VL800TM2 | Water Pump Схема Water Pump | 14 | 17670-33401 | THERMOSTAT WATER | ![]() | |
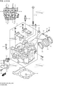
Suzuki 2023 DR-Z400SM3 | Cylinder Head Схема Cylinder Head | 15 | 17670-33401 | THERMOSTAT WATER | ![]() | |
Suzuki 2023 DR-Z400SMM3 | Cylinder Head Схема Cylinder Head | 15 | 17670-33401 | THERMOSTAT WATER | ![]() | |
Suzuki 2023 VL800M3 | Water Pump Схема Water Pump | 14 | 17670-33401 | THERMOSTAT WATER | ![]() | |
Suzuki 2023 VL800TM3 | Water Pump Схема Water Pump | 14 | 17670-33401 | THERMOSTAT WATER | ![]() | |
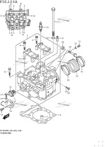
Suzuki 2024 DR-Z400SM4 | Cylinder Head Схема Cylinder Head | 15 | 17670-33401 | THERMOSTAT WATER | ![]() | |
Suzuki 2024 DR-Z400SMM4 | Cylinder Head Схема Cylinder Head | 15 | 17670-33401 | THERMOSTAT WATER | ![]() |














