Применяемость детали Suzuki 17400-29F11
Статистика
Всего каталогов: 4
Всего схем: 4
Позиций: 4
Схемы применения
| Каталог | Схема | Позиция | Артикул | Описание | Превью | Действия |
|---|---|---|---|---|---|---|
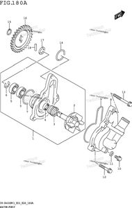
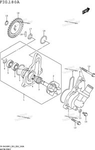
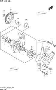
Suzuki 2023 DR-Z400SM3 | Water Pump Схема Water Pump | 1 | 17400-29F11 | PUMP ASSY WATER | ![]() | |
Suzuki 2023 DR-Z400SMM3 | Water Pump Схема Water Pump | 1 | 17400-29F11 | PUMP ASSY WATER | ![]() | |
Suzuki 2024 DR-Z400SM4 | Water Pump Схема Water Pump | 1 | 17400-29F11 | PUMP ASSY WATER | ![]() | |
Suzuki 2024 DR-Z400SMM4 | Water Pump Схема Water Pump | 1 | 17400-29F11 | PUMP ASSY WATER | ![]() |




